全国空降24小时服务微信_同城微信群二维码 _全国空投可约_同城微信群二维码

您的位置: 主页   产品中心   混合系列  EYH二维运动混合机
EYH二维运动混合机
EYH二维运动混合机

EYH二维运动混合机

二维混料机主要由转筒、摆动架、基架三大部分构成。转筒装在摆动架上,由四个滚轮支撑并由两个挡轮对其进行轴向定位,在四个支撑滚轮中,其中两个传动轮由转动动力系统拖动使转筒产生转动,摆动架由一组曲柄摆杆机构来驱动,曲柄摆杆机构装在机架上,摆动架由轴承组件支撑在机架上。
产品详情

原理:
二维混料机主要由转筒、摆动架、基架三大部分构成。转筒装在摆动架上,由四个滚轮支撑并由两个挡轮对其进行轴向定位,在四个支撑滚轮中,其中两个传动轮由转动动力系统拖动使转筒产生转动,摆动架由一组曲柄摆杆机构来驱动,曲柄摆杆机构装在机架上,摆动架由轴承组件支撑在机架上。

特点:
EYH二维混料机的转筒可同时进行二个运动,一个为转筒的转动,另一个为转筒随摆动架的摆动。被混合物料在转筒内随转筒转动、翻转、混合的同时,又随转筒的摆动而发生左右来回的掺混运动,再这两个运动的共同作用下,物料在短时间内得到充分的混合。EYH二维混料机适合所有粉、粒状物料的混合。 本机广泛用于医药、化工、食品、染料、饲料、化肥、农药等行业尤其适用于大吨位(1000L-10000L)各种固相物料的混合。
本机混合筒在传动的同时又参与摆动,使筒中物料得以充分混合。混合筒的出料口偏离混合筒圆筒部分的中线,使该机具有混合迅速、混合量大,出料便捷等特点。

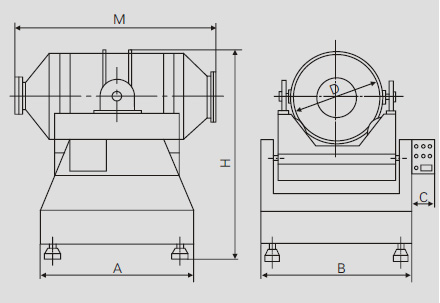
外形示意图:


技术参数:

型号

容积L>

装料系数 >

装料重量 >

外型尺寸mm>

功率 >

A>

B>

C>

D>

M>

H>

转动 >

摆动 >

EYH100>

100>

0.5>

40>

860>

900>

200>

400>

1000>

1500>

11.1>

0.75>

EYH300>

300>

0.5>

75>

1000>

1100>

200>

580>

1400>

1650>

11.1>

0.75>

EYH600>

600>

0.5>

150>

1300>

1250>

240>

720>

1800>

1850>

1.5>

1.1>

EYH800>

800>

0.5>

200>

1400>

1350>

240>

810>

1970>

2100>

1.5>

1.1>

EYH1000>

1000>

0.5>

350>

1500>

1390>

240>

850>

2040>

2180>

2.2>

1.5>

EYH1500>

1500>

0.5>

550>

1800>

1550>

240>

980>

2340>

2280>

3>

1.5>

EYH2000>

2000>

0.5>

750>

2000>

1670>

240>

1100>

2540>

2440>

3>

2.2>

EYH2500>

2500>

0.5>

950>

2200>

1850>

240>

1160>

2760>

2600>

4>

2.2>

EYH3000>

3000>

0.5>

1100>

2400>

1910>

280>

1220>

2960>

2640>

5>

4>

EYH5000>

5000>

0.5>

1800>

2700>

2290>

300>

1440>

3530>

3000>

7.5>

5>

EYH10000>

10000>

0.5>

3000>

3200>

2700>

360>

1800>

4240>

4000>

15>

11>

EYH12000>

12000>

0.5>

4000>

3400>

2800>

360>

1910>

4860>

4200>

15>

11>

EYH15000>

15000>

0.5>

5000>

3500>

3000>

360>

2100>

5000>

4400>

18.5>

15>

关联产品
立即咨询
姓名*
电话*
邮箱
留言内容*
验证码*
  
其他产品
热门产品
主站蜘蛛池模板: 松阳县| 禄丰县| 娄底市| 句容市| 白朗县| 邵阳市| 四子王旗| 临夏市| 蒙阴县| 洛浦县| 金溪县| 惠安县| 伊金霍洛旗| 文山县| 吴堡县| 迭部县| 石棉县| 大关县| 南部县| 东乌珠穆沁旗| 吉木萨尔县| 登封市| 会昌县| 洛宁县| 田东县| 同江市| 新密市| 读书| 始兴县| 蚌埠市| 扎囊县| 黄冈市| 厦门市| 沽源县| 财经| 平乡县| 新乡市| 宣城市| 白山市| 利辛县| 淄博市|